Teraz jest 20 gru 2025, o 05:15

napedMotocyklowy.pl napedMotocyklowy.pl





Utwórz nowy wątek Odpowiedz w wątku  [ Posty: 30 ]  Przejdź na stronę 1, 2, 3  Następna strona
Autor Wiadomość
 Tytuł: Obniżenie R6 ?
PostNapisane: 3 kwi 2012, o 23:01 
Offline
świeżak

Dołączył(a): 5 lis 2011, o 18:02
Posty: 69
Sprzęt: YZF R6 99'
Imie: Paweł
Chciałbym w miarę możliwości obniżyć trochę moją R6 lecz nie wiem czy jest taka możliwość...
Można np lagi cofnąć na półkach trochę ? bądź obniżyć zawieszenie lub "odchudzić " kanapę ??

wszystko dlatego że mam 169 cm wzrostu i trochę nie poradnie się na niej czuje... Nogi brakuje czasami a o odepchnięciu się przy jakimś wzniesieniu już nie wspomnę... :/

Moja R6 = 99' r

_________________
http://www.youtube.com/watch?v=ot9DvEME ... e=youtu.be


Góra
 Zobacz profil Wyślij prywatną wiadomość  
 
 Tytuł: Re: Obniżenie R6 ?
PostNapisane: 3 kwi 2012, o 23:36 
Offline
świeżak
Avatar użytkownika

Dołączył(a): 16 gru 2011, o 17:48
Posty: 45
Lokalizacja: Krosno
Sprzęt: fiat
Imie: Sylwia
ja mam 170cm i też mam zawsze z tym problem ale jest taka możliwość bo mi mechanik obniżył troche moją r6 z 2002re.. można troche obniżyć ale niech się wypowiedzą specjaliści gdzie co i jak bo ja niestety nie pomogę :)


Ostatnio edytowano 4 kwi 2012, o 23:26 przez dzikuska91, łącznie edytowano 1 raz

Góra
 Zobacz profil Wyślij prywatną wiadomość  
 
 Tytuł: Re: Obniżenie R6 ?
PostNapisane: 4 kwi 2012, o 12:07 
Offline
mistrz toru
Avatar użytkownika

Dołączył(a): 14 wrz 2010, o 13:20
Posty: 1769
Lokalizacja: Konin
Sprzęt: YZF R6 2007
Imie: Karol
Lokalizacja: konin
na sprezynie sie nie obniza tylko zmieksza zawieszenie a do zminiejszenia jest cos takiego to jest akurat do r6 od 2006r http://allegro.pl/yamaha-r6-06-07-08-09 ... 10323.html

_________________
YAMAHA R6 07r. Żyć chwilą nie chwilę...


Góra
 Zobacz profil Wyślij prywatną wiadomość  
 
 Tytuł: Re: Obniżenie R6 ?
PostNapisane: 4 kwi 2012, o 21:08 
Offline
mistrz toru

Dołączył(a): 15 lut 2012, o 21:02
Posty: 1030
Sprzęt: r1
Imie: Grzesiek
Lokalizacja: Śląskie
Nie ma tam możliwości regulacji.Trza urosnąć.Chyba ze do pykania.
Jak opuścisz na półkach to masz inną geometrie.
Kanapy w r6 nie ma.


Góra
 Zobacz profil Wyślij prywatną wiadomość  
 
 Tytuł: Re: Obniżenie R6 ?
PostNapisane: 4 kwi 2012, o 22:00 
Offline
mistrz prostej
Avatar użytkownika

Dołączył(a): 28 sty 2010, o 12:48
Posty: 350
Lokalizacja: Koło
Sprzęt: R1 RN22
Imie: jarek
Jeżeli zmniejszysz napięcie wstępne sprężyny w tylnym zawieszeniu, to rzeczywiście moto delikatnie przysiądzie - prawa fizyki są nieubłagane. Ale mówimy tu dosłownie o milimetrach. Podobnie tyczy się przodu. Ale uwierz że są to zmiany bardzo znikome. Natomiast wysuwanie widelca z półek rzeczywiście obniży ci moto, ale tak jak już pisano mocno popsuje geometrię. Motocykl nabierze dużo większej skłonności do shimowania oraz myszkowania przy dużych szybkościach.
Lepiej zaopatrz się więc w akcesoryjny element obniżający wysokość tylnego zawiecha, jak Ci już doradzano.

_________________
R1 RN22 + Ducati Monster. R1 RN19, R1 RN12, R1 RN09, CBR1100XX, ThunderAce, ZX1000, DR650, DR600, XT600, W16, KLR600, CB, XS, ETZ,


Góra
 Zobacz profil Wyślij prywatną wiadomość  
 
 Tytuł: Re: Obniżenie R6 ?
PostNapisane: 4 kwi 2012, o 22:37 
Offline
kursant
Avatar użytkownika

Dołączył(a): 14 lis 2011, o 20:09
Posty: 160
Lokalizacja: Łódź
Sprzęt: RJ05 SE
Imie: Robert
"Pij mleko , będziesz wielki"

przepraszam kolego nie mogłem sie powstrzymać... :ubaw:


Góra
 Zobacz profil Wyślij prywatną wiadomość  
 
 Tytuł: Re: Obniżenie R6 ?
PostNapisane: 5 kwi 2012, o 05:36 
Offline
pochłaniacz winkli

Dołączył(a): 8 lis 2011, o 07:48
Posty: 686
Sprzęt: r6
Imie: robert
bundes napisał(a):
Jeżeli zmniejszysz napięcie wstępne sprężyny w tylnym zawieszeniu, to rzeczywiście moto delikatnie przysiądzie - prawa fizyki są nieubłagane. Ale mówimy tu dosłownie o milimetrach. Podobnie tyczy się przodu. Ale uwierz że są to zmiany bardzo znikome. Natomiast wysuwanie widelca z półek rzeczywiście obniży ci moto, ale tak jak już pisano mocno popsuje geometrię. Motocykl nabierze dużo większej skłonności do shimowania oraz myszkowania przy dużych szybkościach.



napiecie wstępne sprezyny raczej rzeczywiscie nie spowoduje obnizenia tylnego zawieszenia w zdecydowany sposób jak piszesz. Natomiast obnizanie tylko przedniego takze nie da spodziewanego rezultatu. Odległosc siedzenia od ziemi bez jednoczesnego obnizenia tyłu i przodu własciwie nie ulegnie zadnej odczuwalnej zmianie. Dlatego propozycja przedłuzenia wahacza tylnego amortyzatora jest w prawdzie nie jedynym, ale zdecydowanie najtańszym wyjsciem. Rzeczywiscie przesuniecie przednich teleskopów w doł "skróci" moto. o centymetr, co wprawdzie nie zmieni kata pochylenia teleskopów ,które ma bezposredni wpływ na samoustawianie sie do jazdy na wprost , ale nieznacznie obniży statecznosc moto. Mysle jednak ze jezli koleś zamontuje wydłuzone tylne ramie schokera i do tej wysokosci nieco obnizy przednie zawieszenie , nastepnie max . je utwardzi regulacja nastawu twardosci , to statecznosc pozostanie w normie.


Góra
 Zobacz profil Wyślij prywatną wiadomość  
 
 Tytuł: Re: Obniżenie R6 ?
PostNapisane: 5 kwi 2012, o 09:19 
Offline
świeżak

Dołączył(a): 5 lis 2011, o 18:02
Posty: 69
Sprzęt: YZF R6 99'
Imie: Paweł
"masiek" Pije tyle że głowa boli no i nic nie daje xD Czyli mówicie że to są nie potrzebne operacje bo jedyne co mogę uzyskać to kilka milimetrów... :/ A co siedzenia, to nie można by ująć trochę gąbki? bo przy baku jest tego sporo

Zestaw obniżający jest git tylko że można go dostać tylko do nowszych modeli R6 :/

_________________
http://www.youtube.com/watch?v=ot9DvEME ... e=youtu.be


Góra
 Zobacz profil Wyślij prywatną wiadomość  
 
 Tytuł: Re: Obniżenie R6 ?
PostNapisane: 5 kwi 2012, o 09:29 
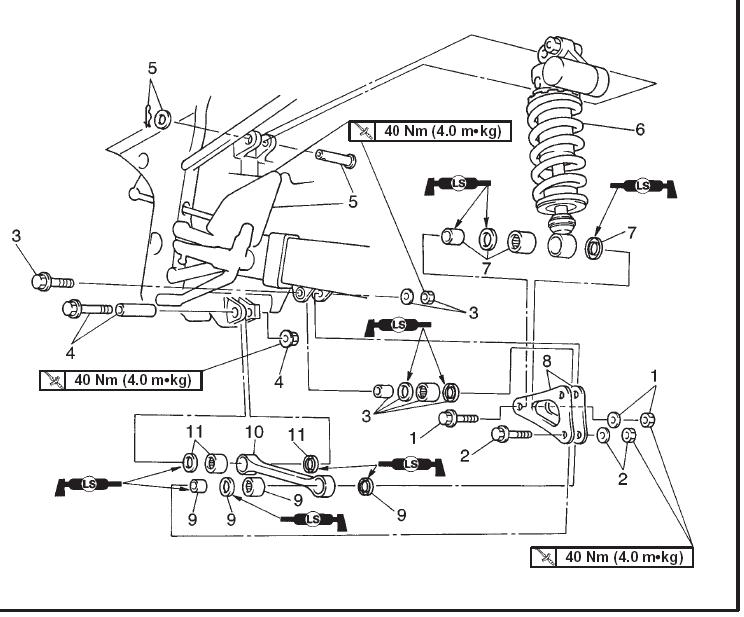
W R6 są takie blaszki przy mocowaniu amortyzatora z wachaczem. Są to takie trójkątne blaszki które łączą amortyzator z wachaczem itp.
W tej zimie jak rozkręcałem moto to odwrotnie włożyłem te blaszki i tył mi usiadł ale jak by się jeździło to tego nie wiem.

Poczekaj na odpowiedzi kolegów z forum co o tym pomyśle myślą albo poprostu sam przetestuj :P Nic nie tracisz :)

Kurde, nie moge znaleźć żadnego obrazka żebyś wiedział o co chodzi ale jak zajrzysz pod moto to raczej się skapniesz o co mi chodzi

EDIT: znalazłem w manualu ;p


Załączniki:
blaszkix 3.JPG
blaszkix 3.JPG [ 66.18 KiB | Przeglądane 3603 razy ]
blaszki 2x.JPG
blaszki 2x.JPG [ 18.35 KiB | Przeglądane 3603 razy ]
blaszkix.JPG
blaszkix.JPG [ 12.44 KiB | Przeglądane 3603 razy ]
Góra
  
 
 Tytuł: Re: Obniżenie R6 ?
PostNapisane: 5 kwi 2012, o 09:52 
Offline
świeżak

Dołączył(a): 5 lis 2011, o 18:02
Posty: 69
Sprzęt: YZF R6 99'
Imie: Paweł
Oooooo to może być ciekawe ;] Taka ''oryginalna" obniżka... i czy motocykl cos na tym straci ??

Czekam na odpowiedzi kogoś kto się z z tym bawił lub się na tym dobrze zna :) Nie ukrywam ze chciałbym bardzo go obniżyć bo nie jestem w stanie mojej R-ki w pełni wykorzystać :(







Pomoże ktoś? lub ktoś już tak robił ??

_________________
http://www.youtube.com/watch?v=ot9DvEME ... e=youtu.be


Góra
 Zobacz profil Wyślij prywatną wiadomość  
 
Wyświetl posty nie starsze niż:  Sortuj wg  
Utwórz nowy wątek Odpowiedz w wątku  [ Posty: 30 ]  Przejdź na stronę 1, 2, 3  Następna strona

Kto przegląda forum

Użytkownicy przeglądający ten dział: Brak zidentyfikowanych użytkowników i 1 gość


Nie możesz rozpoczynać nowych wątków
Nie możesz odpowiadać w wątkach
Nie możesz edytować swoich postów
Nie możesz usuwać swoich postów
Nie możesz dodawać załączników

cron
Theme designed by stylerbb.net © 2008
Powered by phpBB © 2000, 2002, 2005, 2007 phpBB Group sem pozycjonowanie seo
Linki partnerskie:
gsx-r forum Motul 5100 Zestawy napędowe zestaw napędowy opony motocyklowe Zębatki sunstar


Przyjazne użytkownikom polskie wsparcie phpBB3 - phpBB3.PL
phpBB SEO
Strefa czasowa: UTC + 1