Teraz jest 6 lis 2025, o 20:30
Strona główna forum » Yamaha R6 » Warsztat
| Autor |
Wiadomość |
|
sgregor242
|
Tytuł: Re: R6 2002r nie odpala po zimie:( Napisane: 28 mar 2011, o 18:51 |
|
 |
| kursant |
Dołączył(a): 31 sty 2010, o 10:56 Posty: 103 Lokalizacja: Ruda Śląska
Sprzęt: R6
Imie: Grzesiek
|
|
A zrobiłeś co napisałem?Wyłącznik pod klamką sprzęgła i pod stopką.A masz alarm?
|
|
 |
|
|
DelasLDW
|
Tytuł: Re: R6 2002r nie odpala po zimie:( Napisane: 28 mar 2011, o 19:17 |
|
 |
| świeżak |
Dołączył(a): 25 mar 2011, o 13:35 Posty: 76
Sprzęt: R1 RN19
Imie: Mateusz
|
|
tak patrzyłem to sprzeglo i stopke skladałem naciskałem. Problem chyba lezy w regulatorze napiecia poniewaz dzis odłaczylem kostke w niej sa 2kable plusowe i pod nimi 3 minusowe, jeden z tych minusowych był zjarany. Przy styku ktory wystje z regulatore tez jest przytopione. Skrociłem ten kabelek upalony przeczyscilem te styki ale nadal nie paca. Moze ten regulator juz padł? Powiedzcie czy regulator od r6 juz na wtrysku pasuje do tej gaznikowej bo mam dostep zeby podmienic ale na pierwszy rzut oka z wygladu sie troszke różnią.
|
|
 |
|
|
sgregor242
|
Tytuł: Re: R6 2002r nie odpala po zimie:( Napisane: 28 mar 2011, o 23:53 |
|
 |
| kursant |
Dołączył(a): 31 sty 2010, o 10:56 Posty: 103 Lokalizacja: Ruda Śląska
Sprzęt: R6
Imie: Grzesiek
|
|
Wiesz co potrzebujesz kumpla co ma taka sama R6 z okolicy. Jak chodziła dobrze ta R6 przed zima to musi łazić tylko jakaś pierdoła poszła a jeśli nie to musisz znaleźć kogoś co ma taka sama R6 z okolicy bo coś możesz mieć tam namieszane.Napisz skąd jesteś to może kto podskoczy i pomoże. A ma być ciepło więc szkoda abyś kwitł w garażu.
|
|
 |
|
|
DelasLDW
|
Tytuł: Re: R6 2002r nie odpala po zimie:( Napisane: 29 mar 2011, o 12:20 |
|
 |
| świeżak |
Dołączył(a): 25 mar 2011, o 13:35 Posty: 76
Sprzęt: R1 RN19
Imie: Mateusz
|
|
zdaje mi sie ze bedzie problem z tym regulatorem bo nie powinno byc tam przyjarane. Jestem z tomaszowa maz i motor tam jest ale ja bede dopiero kolo week w domu
|
|
 |
|
|
creattine1
|
Tytuł: Re: R6 2002r nie odpala po zimie:( Napisane: 29 mar 2011, o 14:43 |
|
 |
| świeżak |
 |
Dołączył(a): 17 lut 2011, o 21:10 Posty: 23 Lokalizacja: Nowy sącz
Sprzęt: r6
Imie: jarek
|
|
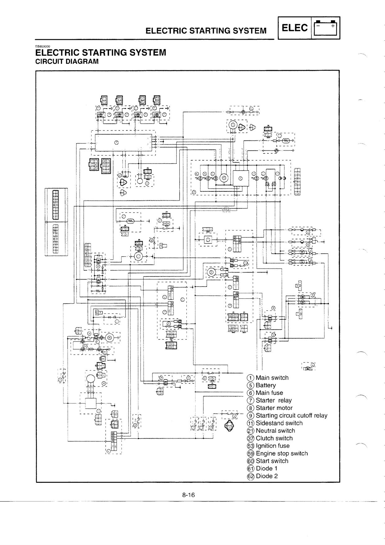
mozesz go samemu sprawdzic jak nie znajdziesz nikogo z moto podaj mala to podesle ci kompletną serwisówke do niej , tam jest wszystk oz elektryki
|
|
 |
|
|
DelasLDW
|
Tytuł: Re: R6 2002r nie odpala po zimie:( Napisane: 11 kwi 2011, o 11:01 |
|
 |
| świeżak |
Dołączył(a): 25 mar 2011, o 13:35 Posty: 76
Sprzęt: R1 RN19
Imie: Mateusz
|
|
Witam. Załatwiłem drugi regulator napięcia lecz to nie to chyba. gdyz dalej nie ma iskry. Powiedzcie Pany jak sprawdzic alternator;/
|
|
 |
|
|
M3L3R
|
Tytuł: Re: R6 2002r nie odpala po zimie:( Napisane: 11 kwi 2011, o 13:01 |
|
|
|
|
Najlepiej sprawdzic miernikiem albo wizualnie jak wygladaja zwoje. Mialem przepalone zwoje i na wysokicha obrotach cos tam tylko ladowal akumulator.
|
|
 |
|
|
creattine1
|
Tytuł: Re: R6 2002r nie odpala po zimie:( Napisane: 2 maja 2011, o 17:14 |
|
 |
| świeżak |
 |
Dołączył(a): 17 lut 2011, o 21:10 Posty: 23 Lokalizacja: Nowy sącz
Sprzęt: r6
Imie: jarek
|
|
pod zadupkiem masz takie czarne kostki 2 przekręc kluczyk i potem zapłon słuchaj czy tak lekko strzelą tam są takie jakby włączniki zaplonu niewiem jak to wykasnic bo sam sobie nazwy zawsze robie ;p . nie zapomnij na luzie sprawdzac mi ostatnio stało sie cos takieo ze motor gasl na biegach raz chodził raz nie . zrobiłem cos takiego że pod czujnij N (czyli luzu) przylutowałem dodatkowy wlacznik że jadac na biegach swieci mi luz klikajac guzik wraca wszystko do nory jak wczesniej czyli gaszac widzde czy mam luz dodatkowy zrobiłęm włacznik od wentylatora w razie W .... te kostki z tłyu mozna tez na krótko spiąc , tylko jak sie pojawi iskra to ładnie dupnie z tłumika ;D na tyle palenia twojgo bez skutku . pzdr
|
|
 |
|
|
RafalTBG
|
Tytuł: Re: R6 2002r nie odpala po zimie:( Napisane: 3 maja 2011, o 07:07 |
|
 |
| przyszły mistrz |
 |
Dołączył(a): 23 lip 2010, o 21:26 Posty: 990 Lokalizacja: TBG
Sprzęt: R1 RN02
Imie: Rafał
|
|
ale patetnty hehe
Mozesz sprbobować tak :
1) spuszczasz stare paliwo z gaznikow ( na dole u kazdego gaznika jest srubka spustowa podajze na imbuska)
2) wlanczasz zaplon z przelaczonym czerwonym przyciskiem na kierownicy na on Słychać wtedy jak pompka paliwa pompuje paliwo. tzreba powtorzyć ze 2 razy
3) sprawdzasz szystkie bezpieczniki czy sa ok.
4) sprawdzasz czy przy kreceniu rozrusznikiem na cewkach jest ok 12-14V
4a) niech ktos mnie poprawi bo nie wiem jak do konca jest w r1/r6 . czy napiecie na cewce glownej (2szt) jest caly czas a za nia jest sterowanie czy na zasilaniu przerywa? wzgledem obrotów.
4b) jest ktos odpowie na 4a ze jest caly czas po przekreceniu kluczyka na on to mozesz podać na ktutko napiecie zgodnie z polaruyzacja.
5) z walnietym alternatorem by odpaliła
6) czy myłeś dość mocno moto przed samym zimowaniem? jesli tak to tzreba sie przyjrzeć elektryce czy nie jest zasniedziałe coś.
7) w jakiej temp zimowales moto i jaka wilgotnosc
8) czy co kolwiek wczesniej rozbierales ?
9) proboj odpalic na zlozonej stopce
_________________ Regulamin pkt 16 ZA NIE STOSOWANIE SIE NOWYCH USEROW DO TEGO OD 2012 DAJE BANA NA TYDZIEN I OSTRZEZENIE
|
|
 |
|
|
creattine1
|
Tytuł: Re: R6 2002r nie odpala po zimie:( Napisane: 3 maja 2011, o 20:16 |
|
 |
| świeżak |
 |
Dołączył(a): 17 lut 2011, o 21:10 Posty: 23 Lokalizacja: Nowy sącz
Sprzęt: r6
Imie: jarek
|
|
 |
|
Strona główna forum » Yamaha R6 » Warsztat
Kto przegląda forum
Użytkownicy przeglądający ten dział: Brak zidentyfikowanych użytkowników i 2 gości
|
Nie możesz rozpoczynać nowych wątków Nie możesz odpowiadać w wątkach Nie możesz edytować swoich postów Nie możesz usuwać swoich postów Nie możesz dodawać załączników
|